


电动浆液闸阀(Z973X、电动浆液阀)
一、产品概述
电动浆液闸阀(电动浆液阀)在生产与应用过程中不断消化与吸收国内外类似产品结构及制造工艺的先进特点。不断提高产品的科技含量,从一些技术细节着手,完善了电动浆液阀的综合性能。电动浆液闸阀具有刚性好,流阻系数小、设计合理、结构紧凑,通道流畅等优点,密封可靠、操作轻便灵活。电动浆液阀广泛用于化工,煤炭,制糖,污水,造纸等到领域,是一种理想的密封阀门。电动浆液闸阀适合于造纸行业在管道上作调节和节流使用。
电动浆液闸阀(电动浆液阀)采用全圆形的通道设计,刀板底端加工成刀刃,光洁度高,保证良好的密封性。在刀板上端安装有硬聚四氟乙烯、刮泥器,可防止粉尘砂砾等擦伤性物质进入填料盒。聚胶脂或含Ni耐磨铸铁制成的耐磨折边锥体安装在电动浆液阀的进口端,可防止颗粒物料直接冲刷在密封上,从而可改善的工作条件,延长寿命。根据需要,可在阀体四周设置多个冲刷口,直接用空气、蒸汽或水进行冲刷,防止沉淀物逐渐堆积,对于输入困难的流体特别适用。该阀设计紧凑、占据空间小、重量轻、易于安装、耐磨防堵措施完善、便于维修、使用寿命长。广泛满足造纸、纸浆工业、工业污水和城市污水处理、化工厂、飞灰处理、散状物料输送、食品饮料工业的使用要求及工条件苛刻的环境条件下。
二、产品特点
1、采用对夹式结构,体积小,重量轻。
2、完全敞开的通道,可以防止介质在阀内沉积。
3、新研制的U型封存圈,可发保证阀门的良好密封性。
4、闸板的外密封 性,则是通过嵌在阀体内只有弹性的密封条来实现,并可借助f螺钉,压板进行调整。
5、流阻小。
6、安装维修方便。
三、主要性能规范
|
公称压力(MPa) |
密封试验 |
壳体试验 |
工作温度(℃) |
适用介质 |
|
0.6MPa |
0.66MPa |
0.9MPa |
-10℃~120℃ |
泥浆、煤渣、纸浆、粮浆、粒状物、糊剂等介质 |
|
1.0MPa |
1.5MPa |
1.5MPa |
四、主要零件材料
|
阀体 |
灰铸铁 |
|
闸板 |
铬镍钛不锈钢 |
|
阀体密封圈 |
合成橡胶或聚四氟乙烯 |
|
阀杆 |
铬不锈钢 |
|
支架 |
碳素钢 |
|
填料 |
聚四氟乙烯 |
五、主要设计标准
|
设计制造 |
结构长度 |
法兰连接尺寸 |
阀门检查和试验 |
|
JB/T?8691-98 |
GB/T?15188.2-94 |
GB/T?9113-2000 |
GB/T?13927-92 |
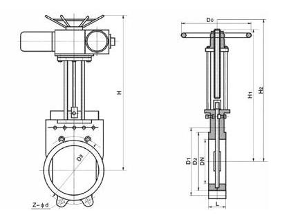
六、主要外形及连接尺寸

|
DN |
L |
D2 |
D1 |
H |
|
|
0.6 |
1.0 |
||||
|
50 |
48 |
48 |
125 |
100 |
600 |
|
65 |
48 |
48 |
145 |
120 |
670 |
|
80 |
50 |
50 |
160 |
135 |
680 |
|
100 |
50 |
50 |
180 |
155 |
700 |
|
125 |
50 |
50 |
210 |
185 |
720 |
|
150 |
60 |
60 |
240 |
210 |
790 |
|
200 |
60 |
60 |
295 |
265 |
850 |
|
250 |
70 |
70 |
350 |
320 |
1100 |
|
300 |
70 |
80 |
400 |
368 |
1180 |
|
350 |
80 |
90 |
460 |
428 |
1280 |
|
400 |
80 |
120 |
515 |
482 |
1460 |
|
450 |
90 |
120 |
565 |
532 |
1600 |
|
500 |
90 |
130 |
620 |
585 |
1800 |
|
600 |
140 |
140 |
725 |
685 |
2100 |
|
700 |
140 |
140 |
840 |
800 |
2300 |
|
800 |
190 |
190 |
950 |
905 |
2500 |
|
900 |
203 |
203 |
1050 |
1005 |
2700 |
|
1000 |
216 |
216 |
1160 |
1115 |
2900 |
|
1200 |
254 |
254 |
1380 |
1325 |
3400 |
注:以上参数为不带标准附件数据,另由于产品改进技术创新参数可能有一定变化,请咨询公司技术部门索取最新数据。
不断提升服务质量,精益求精,“真诚的服务”是山东泰普阀门有限公司永恒的主题。山东泰普阀门有限公司严格按照 ISO9001-2000 质量体系认证要求,质量严格把关,责任到人,确保生产、销售、服务的健康运行。加强与用户沟通,竭诚为广大客户提供优质产品,至善至美服务,特此我厂做出如下承诺:
产品严格按照中国 GB、HG 标准和美国 API 等标准设计、制造、验收。密封面硬度达到国家规定要求,宽度超过国家标准。
产品介绍,技术交流,非标产品设计,疑难解答。
守信合同,保证及时供货,随时保持与客户联系。
对特殊或复杂的产品,我厂安排技术人员对用户进行产品使用、故障排除、调式及维修进行培训和指导。
山东泰普阀门有限公司产品质保期为自出厂起 12 个月,实行“三包”服务(包退、包换、包修)。
产品在使用中我厂定期组织技术、检查人员进行访问,征询用户对产品质量、使用状况、改进意见等方面的反馈,以便进一步提高产品质量。
对用户投诉产品质量问题,快速做出反映,售后服务人员在 24-36 小时(省外 48 小时)赶赴现场。
对售后服务,要求用户填写服务后的质量反馈表,并做出鉴定意见,一边提高山东泰普阀门有限公司的服务质量。
客户采购清单请传真至 0531-69926510,或来电咨询 0531-69926510}。
收到客户采购清单,为客户提供阀门型号选型与报价(价格清单)。
具体商定:交货期、特殊要求等事宜。
客户对产品有特殊要求,须在订货合同中提供以下说明:
结构长度
连接形式
公称直径、全通径、缩径、管道尺寸
运用介质及温度、压力范围
实验、检验标准及其他要求
本场可根据客户特殊要求配置各类驱动装置。
如由客户提供确定的阀门类型和型号时,客户应正确说明其型号的含义和要求,在供需双方理解一致的条件下签订合同。